自动重合器
2018-02-09
大恒 TA2、TA3 智能型重合器
该产品2010年获国家发明专利,如今,大恒依托领先的技术创新能力,向国内外客户提供高性价比的产品。
产品特点:
◆ EMC电快速瞬变脉冲群抗扰度试验4级;
◆ 符合国家电网 Q/GDW 11421-2015;
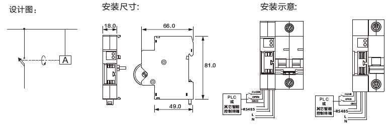
◆ 配备安全锁销,手动操作更安全;
◆ 手动、自动功能切换,方便现场检修维护;
◆ 采用先进的马达、电子控制电路、体积小、可靠性高;
◆ 具有干接点远程分闸、合闸控制,通过RS485总线通讯、报警功能;
自动重合装置技术参数
| 型号 | TA2 | TA3 | ![]() |
| 宽度尺寸 | 18mm | 36mm | |
| 额定电压 | AC100/230V 50/60Hz | AC100/230V 50/60Hz | |
| 重合延时时间(s) | 5s(可设) | 5s(可设) | |
| 机械寿命 | 20000次 | 10000次 | |
| 合闸、分闸动作时间 | ≤3s | ≤3s | |
| 连续合闸次数 | 默认3次(可设) | 默认3次(可设) | |
| EMC符合次数 | IV | IV | |
| 防护等级 | IP20 | IP20 | |
| 显示方式 | LED显示 | LED显示 | ![]() |
| 工作环境温度 | -25℃~60℃ | -25℃~60℃ | |
| 存放环境温度 | -40℃~80℃ | -40℃~80℃ | |
| 工作环境湿度 | ≤90%RH | ≤90%RH | |
| 可组合配套 | SCB、RCD(单相)、MCB | SCB、RCD(三相)、MCB | |
| 通讯端口 | |||
| 远程干接点控制 | ≤500m@1.5mm2 RVVP 通讯线缆 | ≤500m@1.5mm2 RVVP 通讯线缆 | |
| RS485总线通信距离 | ≤1000m@1.5mm2 RVVP 通讯线缆 | ≤1000m@1.5mm2 RVVP 通讯线缆 | |

TA2、TA3自动重合器配套其他产品
1、T08自动重合SCB后备保护器

2、TA3L 智能自动重合RCD漏电保护器




